* Applicable only for Special Mechanic Seal Models
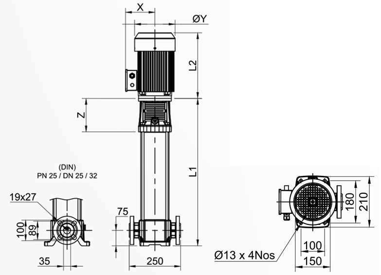
| Model | Power | Dimension in mm | Weight in kg | |||||||||
|---|---|---|---|---|---|---|---|---|---|---|---|---|
| kW | HP | L1 | L2 | X | Ø Y | Z | Pump | Motor | ||||
| 1Ph | 3Ph | 1Ph | 3Ph | MTP | 1Ph | 3Ph | ||||||
| MVC-02/09 | 1.1 | 1.5 | 395 | 260 | - | 148 | - | 139 | 146 | 23.6 | 10.7 | - |
| MVC-02/11 | 1.1 | 1.5 | 431 | 260 | - | 148 | - | 139 | 146 | 25.0 | 10.7 | - |
| MVC-02/13 | 1.5 | 2 | 485 | 320 | - | 157 | - | 160 | 163 | 26.6 | 15.3 | - |
| MVC-02/15 | 1.5 | 2 | 521 | 320 | - | 157 | - | 160 | 163 | 28.0 | 15.3 | - |
| MVC-02/18 | 2.2 | 3 | 575 | 303 | - | 161 | - | 176 | 163 | 30.1 | 18.0 | - |
| MVC-02/22 | 2.2 | 3 | 647 | 303 | - | 161 | - | 176 | 163 | 33.0 | 18.0 | - |
| MVC-04/12 | 2.2 | 3 | 575 | 303 | - | 161 | - | 176 | 163 | 29.4 | 18.0 | - |
| MVC-4E/12 | 2.2 | 3 | 466 | 303 | - | 161 | - | 176 | 163 | 25.9 | 18.0 | - |
| MVC-4E/16 | 3 | 4 | 538 | 361 | - | 161 | - | 176 | 163 | 28.7 | 22.2 | - |
| MVC-4E/19 | 4 | 5.5 | 592 | - | 315 | - | 132 | 197 | 163 | 27.2 | - | 22.3 |
| MVC-4E/22 | 4 | 5.5 | 646 | - | 315 | - | 132 | 197 | 163 | 29.3 | - | 22.3 |
| Model | KW | HP | Stage | m3/hr | 0 | 1.5 | 2 | 2.5 | 3 | 3.5 | 4 |
|---|---|---|---|---|---|---|---|---|---|---|---|
| lps | 0 | 0.41 | 0.55 | 0.69 | 0.83 | 0.97 | 1.11 | ||||
| MVC-02/09 | 1.1 | 1.5 | 9 | HEAD IN METERS | 86 | 76.5 | 70 | 62 | 52.5 | 45 | 37 |
| MVC-02/11 | 1.1 | 1.5 | 11 | 104 | 90 | 83 | 73.5 | 62.5 | 50 | 37.5 | |
| MVC-02/13 | 1.5 | 2.0 | 13 | 128 | 109 | 100 | 87.5 | 72.5 | 57.5 | 42 | |
| MVC-02/15 | 1.5 | 2.0 | 15 | 145 | 122.5 | 112.5 | 100 | 85 | 67.5 | 47.5 | |
| MVC-02/18 | 2.2 | 3.0 | 18 | 179 | 153.5 | 141 | 126 | 108 | 88 | 63 | |
| MVC-02/22 | 2.2 | 3.0 | 22 | 211 | 180 | 165 | 150 | 127.5 | 100 | 70 |
| Model | KW | HP | Stage | m3/hr | 0 | 1.5 | 2 | 2.5 | 3 | 3.5 | 4 |
|---|---|---|---|---|---|---|---|---|---|---|---|
| lps | 0 | 0.41 | 0.55 | 0.69 | 0.83 | 0.97 | 1.11 | ||||
| MVC-04/12 | 2.2 | 3.0 | 12 | HEAD IN METERS | 120.5 | 110 | 105 | 99.5 | 90 | 77 | 61 |
| MVC-4E/12 | 2.2 | 3.0 | 12 | 110 | 108 | 106 | 102 | 92 | 77 | 60 | |
| MVC-4E/16 | 3.0 | 4.0 | 16 | 150 | 144 | 140 | 132 | 123 | 104 | 75 | |
| MVC-4E/19 | 4.0 | 5.5 | 19 | 180 | 170 | 164 | 158 | 142 | 120 | 96 | |
| MVC-4E/22 | 4.0 | 5.5 | 22 | 205 | 196 | 186 | 178 | 161 | 134 | 105 |