* Applicable only for Special Mechanic Seal Models
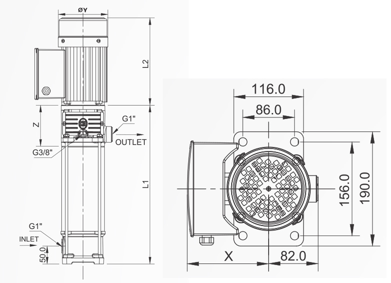
| Model | Power | Dimension in mm | Weight in kg | |||||||||
|---|---|---|---|---|---|---|---|---|---|---|---|---|
| kW | HP | L1 | L2 | X | Ø Y | Z | Pump | Motor | ||||
| 1Ph | 3Ph | 1Ph | 3Ph | MTP | 1Ph | 3Ph | ||||||
| MTC - 2E/09 | 1.1 | 1.5 | 407.5 | 260 | 260 | 148 | 112 | 139 | 114.5 | 10.0 | 10.7 | 10.4 |
| MTC - 2E/11 | 1.1 | 1.5 | 443.5 | 260 | 260 | 148 | 112 | 139 | 114.5 | 11.8 | 10.7 | 10.4 |
| MTC - 2E/13 | 1.5 | 2 | 497.5 | 320 | 290 | 157 | 121 | 160 | 132.5 | 12.0 | 15.3 | 12.0 |
| MTC - 2E/15 | 1.5 | 2 | 533.5 | 320 | 290 | 157 | 121 | 160 | 132.5 | 12.7 | 15.3 | 12.0 |
| MTC - 2E/18 | 2.2 | 3 | 587.5 | 303 | 303 | 161 | 125 | 176 | 132.5 | 13.7 | 18.0 | 16.7 |
| MTC - 2E/22 | 2.2 | 3 | 695.5 | 303 | 303 | 161 | 125 | 176 | 132.5 | 15.2 | 18.0 | 16.7 |
| Model | Power | Dimension in mm | Weight in kg | |||||||||
|---|---|---|---|---|---|---|---|---|---|---|---|---|
| kW | HP | L1 | L2 | X | Ø Y | Z | Pump | Motor | ||||
| 1Ph | 3Ph | 1Ph | 3Ph | MTP | 1Ph | 3Ph | ||||||
| MTC - 4E/12 | 2.2 | 3.0 | 516 | 303 | 303 | 161 | 125 | 176 | 132.5 | 12.8 | 18.0 | 16.7 |
| MTC - 4E/12 | 3.0 | 4.0 | 552 | 361 | 361 | 161 | 125 | 176 | 132.5 | 14.8 | 22.2 | 21.2 |
| Model | KW | HP | Stage | m3/hr | 0 | 1 | 1.5 | 2 | 2.5 | 3 | 3.5 | 4 |
|---|---|---|---|---|---|---|---|---|---|---|---|---|
| lps | 0 | 0.27 | 0.41 | 0.55 | 0.69 | 0.83 | 0.97 | 1.11 | ||||
| MTP-2E/09 | 1.1 | 1.5 | 9 | HEAD IN METERS | 86 | 80 | 76.5 | 70 | 62 | 52.5 | 45 | 37 |
| MTP-2E/11 | 1.1 | 1.5 | 11 | 104 | 90 | 85.5 | 83 | 73.5 | 62.5 | 50 | 37.5 | |
| MTP-2E/13 | 1.5 | 2 | 13 | 127 | 117 | 109 | 100 | 87.5 | 72.5 | 57.5 | 42 | |
| MTP-2E/15 | 1.5 | 2 | 15 | 145 | 130 | 122.5 | 112.5 | 100 | 85 | 67.5 | 47.5 | |
| MTP-2E/18 | 2.2 | 3 | 18 | 179 | 163 | 153.5 | 141 | 126 | 108 | 88 | 63 | |
| MSP-2E/22 | 2.2 | 3 | 22 | 211 | 182 | 180 | 165 | 150 | 127.5 | 100 | 70 |
| Model | KW | HP | Stage | m3/hr | 0 | 1 | 1.5 | 2 | 2.5 | 3 | 3.5 | 4 |
|---|---|---|---|---|---|---|---|---|---|---|---|---|
| lps | 0 | 0.27 | 0.41 | 0.55 | 0.69 | 0.83 | 0.97 | 1.11 | ||||
| MTP-4E/12 | 2.2 | 3 | 12 | HEAD IN METERS | 110 | 105 | 95 | 90 | 82 | 70 | 55 | 40 |
| MTP-4E/16 | 3 | 4 | 16 | 160 | 147 | 140 | 132.5 | 122 | 104 | 80 | 55 |